Saturday, 28 July 2012

MERESET EPROM TV

MERESET TV


Sebaiknya hanya melakukan reset TV ini jika berada dalam situasi:

  • Setelah mengganti IC Eeprom.
  • Data dalam IC Eeprom terkorupsi / cacat.
  • Telah melakukan back-up dari IC Eeprom aslinya, atau
  • Telah mencatat nilai-nilai settingan Eeprom-nya.

POLYTRON BML Chassis, MX-1503R
  • Tekan POWER UTAMA untuk menyalakan TV
  • Tekan POWER pada remote untuk StandBy
  • Pada kondisi StandBy tekan MENU di remote selama kurang-lebih 10 detik hingga TV menyala dengan sendirinya
  • Tekan Password 3101 untuk inisialisasi

SANYO CE28B4-C
  • Dalam keadaan OFF, Pasang IC Eeprom yang masih KOSONG
  • Nyalakan TV
  • Tekan dan tahan Tombol Normal di remote, lalu tekan P+ di panel

SANYO EB7-A Chasis, CE32WN5F
  • Nyalakan TV
  • Tekan dan tahan Tombol Normal di remote, lalu tekan P- di panel
  • Lalu Matikan TV dengan Power Utama

SANYO CP21AF1V
  • Dalam keadaan OFF, Pasang IC Eeprom yang masih KOSONG
  • Nyalakan TV
  • Tekan dan tahan Tombol AV di panel kurang lebih 5 detik hingga muncul display CLR
  • Tekan P+ di panel untuk kembali ke mode normal

SANYO CP21AF2T
  • Dalam keadaan OFF, Pasang IC Eeprom yang masih KOSONG
  • Nyalakan TV
  • Tekan dan tahan Tombol AV di panel kurang lebih 5 detik hingga muncul display CLR
  • Tekan F / MENU di panel untuk kembali ke mode normal

SANYO CP21SW1Z
  • Dalam keadaan OFF, Pasang IC Eeprom yang masih KOSONG
  • Nyalakan TV
  • Tekan dan tahan Tombol GAME di panel kurang lebih 5 detik hingga muncul display CLR
  • Tekan P+ di panel untuk kembali ke mode normal

SANYO C21PM-81, C25PG
  • Dalam keadaan OFF, Pasang IC Eeprom yang masih KOSONG
  • Nyalakan TV
  • Tekan dan tahan Tombol FUNCTION di panel lalu tekan tombol RECALL (Ada gambar antena) di remote, akan muncul display ITEM1-1
  • Tekan tombol V- atau V+ untuk merubah nilai ITEM 1-1 menjadi ITEM 1-0
  • Tekan FUNCTION lagi untuk pindah ke ITEM 2-1
  • Tekan tombol V- atau V+ untuk merubah nilai ITEM 2-1 menjadi ITEM 2-0
  • Tekan tombol RECALL untuk keluar ke mode normal

SHARP UA1 Chasis, 21A2-S, 21GT-20
  • Dalam keadaan OFF, Pasang IC Eeprom yang masih KOSONG
  • Short-kan Jumper J122 dengan J124, Lalu Nyalakan TV dengan Power Utama, Tunggu beberapa detik hingga TV nyala sendiri

SHARP G2 Chasis, SP-41 Chasis, 20R20BM, 20CT250, 21FN11, 51Q200
  • Dalam keadaan OFF, Pasang IC Eeprom yang masih KOSONG
  • Posisikan S1006 ke SERVICE, Lalu Nyalakan TV dengan Power Utama, Tunggu beberapa detik hingga TV nyala sendiri

SHARP GA4 Chasis, 51X500
  • Dalam keadaan OFF, Pasang IC Eeprom yang masih KOSONG
  • Short-kan Jumper J304 dengan J307, Lalu Nyalakan TV dengan Power Utama, Tunggu beberapa detik hingga TV nyala sendiri

SONY BG-2T
  • Masuk ke service mode
  • Tekan 5 lalu 0 pada remote untuk inisialisasi
  • Tekan 2 lalu 0 pada remote untuk meng-copy ke eeprom

sumber: beteve

Pin proteksi Polytron

Pin proteksi Polytron

Model / Series Detektor Yang Dideteksi Tegangan Normal Menonaktifkan Proteksi
DIVA Series, DIPE Series Pin No.62 IC HBT-00-0X Vertikal Output 5 Volt Suntik Pin No.62 tegangan 5V
EXCEL Series Pin No.61 STV223X BCL (Beam Current Limiter) 5 Volt Lepaskan J345
BML Chasis (MX5203MS, MX-20323) Pin No16 IC701(HBM-00-XX) Vertikal Output 5 Volt Suntik Pin No.16 tegangan 5V
Pin No.46 IC301 (STV228X) BCL (Beam Current Limiter) Lewat D304 5 Volt Lepaskan D304

Tuesday, 10 July 2012

Polytron power tidak mau “on” (st by ok)


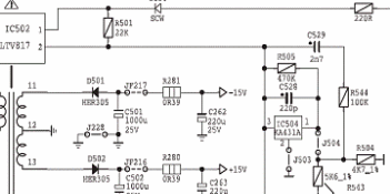
Sering kami mendapat pertanyaan tentang Polytron yang mati stand by tidak mau “on”. Oleh karena itu disini sedikit kami ulas cara kerja sirkit kontrol 0n-off Polyton yang menggunakan power suply seperti gambar dibawah ini (biasanya yang menggunakan FET FS7UM)
clip_image002

Saat Posisi stand by.
  • Pin-36 kontrol power dari mikrokontrol mengeluarkan tegangan “high”
  • Basis T506 ada tegangan sekitar 0.6v >> transistor “on” dan C-E seperti dishortkan >> kolektor tegangan nol >> dan transistor T505 kondisi “on”
  • Arus photocoupler akan seperti dishortkan langsung ke ground lewat D511 >> T506. Akibatnya semua tegangan sekunder drops. Tegangan pada D504/elko C505 masih rendah hanya sekitar 12v
  • Suply 5v untuk mikrokontrol akan diberikan dari tegangan 12v ini >> T505 >> Regulator 5v T504 (yang ada zener 5.6v)
  • Pada st-by  tegangan B+ hanya sekitar 30v, tegangan 40v hanya sekitar 12v, tergangan 14v hanya sekitar 4v.
Saat posisi Power-on
  • Pin-36 kontrol Power dari mikrokontrol akan berubah menjadi “nol”
  • Basin T506 tegangan nol >> transistor “off” >> kolektor ada tegangan >> transistor T505 berubah menjadi “off”.
  • Arus photocoupler yang semula langsung dishortkan ke ground sekarang ganti akan dilewatkan IC504 KA431 dari pin-3 ke pin-2 (ground). KA431 merupakan “error correction” untuk menstabilkan tegangan B+.
clip_image004
  • Semua tegangan sekunder akan berubah naik menjadi normal.
  • Karena T505 sekarang berubah menjadi “off”, maka tegangan 5v untuk suply mikrokontrol akan ganti diberikan dari sumber 14v >> R512 >> D510.
  • Pada saat yang sama suply Vcc untuk Horisontal –start akan mendapat tegangan suply 8v dari sumber 14v >> R508 >> Regulator 8v T502.
clip_image006
 
TROBELSHUTING
Stand by tidak mau “on”
  • Cek apakah tegangan suply Vcc 5v untuk mikrokontrol normal
  • Paling sering dijumpai karena elko filter C505 untuk tegangan 40v kering. Elko kering mengakibatkan tegangan keluaran menjadi drops.
  • Pesawat on sebentar terus mati. Kadang disebabkan karena kerusakan D510. Karena hal ini menyebabkan tegangan 5v saat power-on untuk mikrokontrol drops
Saat di “power-on” tegangan B+ tidak mau naik ke normal (115v)
  • Periksa apakah basis T506 tegangan sudah dapat berubah menjadi nol. Kalau tidak mau nol
  • Coba lepas T505 – tegangan B+ seharusnya dapat naik menjadi normal. Kalau tidak dapat naik menjadi normal maka kemungkinan problem pada bagian switching regulator. Periksa elko B+ mungkin kering atau FET rusak.
Saat “power-on” horisontal tidak kerja
  • Periksa apakah Hor Vcc sudah mendapat tegangan 8v
  • Periksa tegangan suply 14v
  • Problem dapat disebabkan elko flter 14v kering atau sirkit regulator 8v ada yg problem
Problem mikrokontrol
  • Basis T506 tidak mau berubah ke nol saat di-power-on
  • Periksa tegangan suply Vcc 5v mikrokontrol
  • Periksa pin osilator apakah ada tegangan sekitar 1 ~ 2v.
  • Perisak pin-reset apakah sudah ada tegangansekitar 4v
  • Periksa jalur SDA/SCL mungkin ada yang sedikitshort